齐纳安全栅是本公司最新推出的产品,该产品按照GB3836.1-2000[性气体环境用电气设备第1部分通用要求]和GB3836.4-2000[性气体环境用电气设备第4部分本质安全型"i"]中有关规定制造生产。产品经国家级仪器仪表防爆安全监督检验站(NEPSI)防爆检测合格,并取得防爆合格证书。
该系列有多种不同的型号规格,可与各种现场一次仪表如变送器数字通讯的智能变送器、4-20mA模拟信号的普通变送器、(国产DDZ-Ⅲ型变送器)、电气转换器、电气阀门定位器、各类热电偶、开关(触点及模拟开关)、流量仪表(涡轮、 腰轮、刮板、旋涡等流量变送器)、电磁阀及各种特殊仪表组成本质安全防爆系统,用于现代化工业的自动化过程控制,广泛地应用在石油、化工、医药、船舶等领域。
技术指标
防爆标志: Ex(ia)ⅡC、 Ex(ia)ⅡB
最大安全区电压: 250V DC/AC
漏 电 流: <10μA
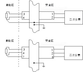
端子色标: 非本安端(安全区,端子接线标号为1、2)的标号牌为黄色。
连续工作温度: 本安端(危险区,端子接线标号为3、4)的标号牌为蓝色。-20~60℃
储存温度: -40~80℃
相对湿度: 5~95%RH
安装位置:安全区
重 量: 约130g
安装和接地: 通过两个一体的M4×9镀铝锡钢质固定螺栓和不锈钢自锁螺母(随产品一起提供)安装和接地。
安装尺寸: 11.5mm(六角螺栓距离)
外型尺寸: 长×宽×高=93.5×61.5×15(mm)
术语
1、安全参数
一个安全栅的安全描述,如10V 50Ω 200mA,是指熔断器熔断时端接齐纳二极管或正向二极管的最高电压,最小的端电阻值和相应的最大短路电流。它表示可在危险场所产生的故障能量,并非表示工作电压和端电阻。
2、端电阻
指20℃时,一个安全栅通道的两个端子间的电阻,即电阻阻值和熔断器阻值之和。如果通路中有二极管或三极管,则应加上二极管或三极管导通的电压降。
3、工作电压
20℃时,安全栅危险区端子开路,漏电流值小于规定值的情况下,施加给基本安全通路的安全区端子与地之间,具有适合级性的最大稳定电压。
4、最大电压
20℃时,熔断器没有被熔断情况下,连续施加给安全栅任何通路的安全端子与地之间,具有适合级性的最大稳定电压。对基本安全栅而言,这一数值是指在危险区端子开路情况下,当有电流流进危险区,则供给安全栅的最大电压则减小。对基本安全栅的交流通路和过压保护安全栅的大多数通路都适用。
外型尺寸
技术参数
| 功能序列号 |
工作电压
(V) |
端电阻
(Ω) |
防爆参数 |
电路简图 |
典型用途 |
| Uo |
Io |
危险区 安全区 |
11
|
6 |
50 |
10 |
200 |
|
DC6V、AV供电 |
| 11P |
6 |
33
|
10 |
300 |
| 12 |
12 |
100 |
15 |
150 |
DC12V、AC9V供电 |
| 12P |
12 |
50 |
15 |
291 |
| 13 |
24 |
300 |
28 |
93 |
二线制变送器 |
| 13P |
24 |
234 |
28 |
119 |
| 21 |
0.6 |
10 |
3 |
300 |
|
热电阻 |
| 22 |
12 |
130 |
14 |
114 |
| 23 |
0.6 |
10 |
3 |
300 |
|
三线制热电阻 |
| 24 |
6 |
50 |
10 |
200 |
|
热电偶、交直流传感器 |
| 31 |
24 |
300 |
28 |
93 |
|
二线制变送器
开关
控制器输出 |
| 31R |
24 |
300 |
28 |
93 |
| 31P |
24 |
234 |
28 |
119 |
| 31RP |
24 |
234 |
28 |
119 |
| 32 |
24 |
300 |
28 |
93 |
|
变送器 |
| 6 |
50 |
10 |
200 |
| 32R |
24 |
300 |
28 |
93 |
| 10 |
50 |
10 |
200 |
| 41 |
24 |
110 |
28 |
60 |
|
气体报警器供电
开关、电磁阀供电系统 |
| 41P |
10 |
110 |
12 |
30 |
| 51 |
10 |
1000 |
12 |
12 |
|
应变桥墩路返回信号 |
| 52 |
10 |
150 |
12 |
80 |
应变桥路供电 |
| 52P |
10 |
75 |
12 |
157 |
注:产品类型
WP6131--热电阻齐纳式安全栅
WP6132--热电偶齐纳式安全栅
WP6133--电流输入齐纳式安全栅
Wp6135--电流输出齐纳式安全栅
Wp6137--电压输出齐纳式安全栅
实际应用
1、热电偶
对热电偶信号,选用NPDMN型安全栅,这是一种双通路无极性安全栅,其内阻为50Ω+50Ω。为消除
环境温度对测量精度的影响,应把补偿导线一直连接到二次仪表,并在那里进行冷端补偿。

2、热电阻
热电阻测量温度时,选用HD-WP6131-21-QEX型安全栅(双通路)或HD-WP6131-23-QEX型安全栅(三通路),可
分别对热电阻提供二线或三线保护,其内阻均为10Ω。在正常工作时漏电流小于1μΑ,不影响测量精度。

3、变送器
变送器与安全栅配接时,变送器供电电压波动较小的情况下,选用HD-WP6133-31-QEX或HD-WP6133-32-QEX型
安全栅。HD-WP6133-31-QEX可在20mA时向变送器提供13V的电压。高功率安全栅,20mA时可提供15V的供电电压。

4、模拟量输出
·输出回路为集电极输出
选用HD-WP6135-13-QEX型安全栅,可提供双线保护,内阻300Ω。
·输出回路为发射极输出
选用HD-WP6135-31-QEX型安全栅,可提供双线保护,内阻300Ω。

5、电磁阀
电磁阀、报警器、发光二极管(LED)等小功率设备或无源开关选用HD-WP6137-31-QEX或HD-WP6137-41-QEX安全栅。

6、应变电桥
应变电桥被广泛应用于各种称重系统中,当于齐纳栅组成本安系统时,一般要选用两只或两只以上齐纳式安全栅。选用HR-WP6137-51-QEX做信号接收,用HR-WP6137-52-QEX做供电。

安装与使用
| 现场仪表 |
供电电源 |
配用齐纳安全栅 |
| 稳定(V) |
波动(V) |
通路 |
型号 |
| 热电偶 |
— — |
— — |
双 |
24 |
| 热电阻 |
— — |
— — |
双 |
21、22 |
| — — |
— — |
三 |
23 |
|
4-20mA
二线制智能变送器
4-20mA
二线制普通变送器
|
24 |
23-25 |
单 |
13 |
| 13P |
| 24 |
23-25 |
双 |
31 |
| 31P |
| 31R |
| 31RP |
| 32 |
| 32R |
| 调节器输出 |
发射极输出 |
24 |
— — |
单 |
13 |
| 13P |
| 集电极输出 |
双 |
31 |
| 31P |
单控电磁阀、报警器、
LED灯、无源开关、继
电器、接近开关等 |
24 |
— — |
单 |
13 |
| 13P |
| 41 |
| 41P |
| 称重变送器 |
10 |
23-25 |
双 |
51 |
| 10 |
23-25 |
52 |
安装与使用
齐纳安全栅是本质安全防爆系统中起安全保护作用的关键仪表,安装调试不当会造成齐纳安全栅损坏,安装调试齐纳安全栅以前,请详细阅读本说明中的有关规定,安装调试中要严格遵守下列注意事项。
1、齐纳安全栅安装在安全区域内(非危险区)。
2、齐纳安全栅采用汇流条安装方式;
a、汇流条由铜板制成厚度大于3mm,宽度25mm,长度按齐纳安全栅个数选取;
b、汇流条必须和供电电源的“OV”相连接,保证汇流条处在“OV”电平上;
c、汇流条安装时必须和机壳绝缘,各汇流条之间都必须用电线或电缆相互相接,电线或电缆的线芯截面积必须大于4~6mm2铜线;
d、安全栅总的接地电阻须小于1Ω。
3、齐纳安全栅本安端电路和非本安端电路的配线不可接错和混淆。
4、齐纳安全栅单独通电检验时,必须注意齐纳安全栅的型号,电源极性,电压等级及外壳上标明的接线端子号,防止接错。
5、禁止用兆欧表来测齐纳安全栅接线端子之间的绝缘,检查系统线路绝缘时,应首先断开全部齐纳安全栅外部接线,否则会引起齐纳安全栅内部熔断丝烧断。
6、禁止利用齐纳安全栅的地线进行电焊等强电操作,以免造成大批齐纳安全栅同时烧毁。
7、选用二次仪表时,必须确认与安全栅相连所有二次仪表的工作电压或其内部可能产生的电压最高值不超过齐纳安全栅的最高允许电压250VDC/AC。
8、系统联调时{现场无危险气体}应把安全栅的全部接线断开,确认系统调试成功后,再将安全栅接线接上并投入使用。
9、务必注意对本安电路的配线方法及连接导线的限制条件:
a、本质安全线路与非本质安全线路在汇线槽及保护管中须分开敷设;
b、本安端导线选用兰色;
c、连接导线的绝缘强度应大于500V;
d、热电偶引线应采用补偿导线;
e、齐纳安全栅和一次仪表及连线组成本质安全防爆系统时,齐纳安全栅最大允许负载参数Ca、La由防爆检测机关给出,传输导线选用不同规格的电缆时,其中本身的电缆参数(电缆厂给出)应予以充分重视,不得超过规定值。
10、安全栅的安装使用和维护除应遵守本说明书以外,还必须严格遵守GB3836.15-2000《危险场所电气安装》标准有关规定。
注意:防爆规程规定齐纳安全栅一旦损坏,不得修复重用,应予以更换. |