 |
请输入关键字 |
|
|
| 联系午夜免费福利 |
江苏午夜成人APP在线观看仪表有限公司
地 址:江苏省金湖工业园区
邮 编:211600
电 话:0517-86500336
86500226
传 真:0517-86800636
联系人:杨经理
手机:13915187193(微信同号)
E-mail:jshdyb@163.com
|
|
|
|
卫生型电磁流量计 |
|
产品型号: |
HD-LED-W |
产品报价: |
 |
产品特点: |
卫生型电磁流量计管道内无可动部件,无阻流部件,测量中几乎没有附加压力损失。
|
|
HD-LED-W型卫生型电磁流量计测量原理是基于法拉第电磁感应定律。流量计的测量管是一内衬绝缘材料的非导磁合金短管。两只电极沿管径方向穿通管壁固定在测量管上。其电极头与衬里内表面基本齐平。励磁线圈由双方波脉冲励磁时,将在与测量管轴线垂直的方向上产生一磁通量密度为B的工作磁场。此时,如果具有一定电导率的流体流经测量管。HD-LED-W型卫生型电磁流量计除可测量自来水、钢铁、石油、化工、电力、工业、水利、水政水资源等部门的一般导电流体的流量,亦可测量酸、碱、盐等腐蚀性导电液体。广泛应用于石油、化工、冶金、轻纺、造纸、环保、食品等工业部门及市政管理,水利建设、河流疏浚等领域的流量计量。
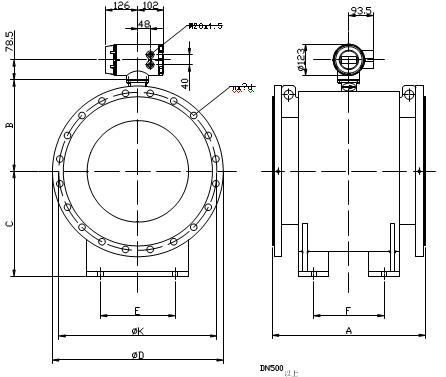
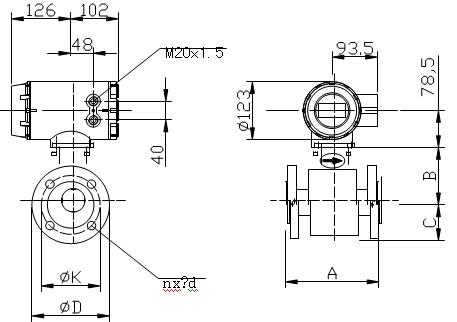
外形尺寸
|
DN
|
额定压力
|
仪表外形尺寸 单位:mm 四氟衬里/橡胶衬里
|
|
Mpa
|
A
|
B
|
C
|
D
|
E
|
¢D
|
¢K
|
nx¢d
|
|
15
|
4.0
|
150
|
95
|
50
|
|
|
|
|
4*14
|
|
20
|
95
|
65
|
4*14
|
|
25
|
100
|
55
|
115
|
75
|
4*14
|
|
32
|
105
|
60
|
140
|
85
|
4*18
|
|
40
|
197/202
|
110
|
65
|
150
|
110
|
4*18
|
|
50
|
121
|
76
|
165
|
125
|
4*18
|
|
65
|
130
|
85
|
185
|
145
|
8*18
|
|
80
|
135
|
90
|
200
|
160
|
8*18
|
|
100
|
1.6
|
297/302
|
145
|
100
|
220
|
180
|
8*18
|
|
125
|
247/252
|
161
|
116
|
245
|
210
|
8*18
|
|
150
|
297/302
|
171
|
126
|
280
|
240
|
8*22
|
|
200
|
348/352
|
199
|
154
|
335
|
295
|
12*22
|
|
250
|
398/402
|
224
|
179
|
405
|
355
|
12*22
|
|
300
|
1.0
|
498/502
|
249
|
204
|
440
|
400
|
12*22
|
|
350
|
274
|
229
|
500
|
460
|
16*22
|
|
400
|
598/602
|
305
|
260
|
565
|
515
|
16*26
|
|
450
|
330
|
285
|
615
|
565
|
20*26
|
|
500
|
600
|
360
|
403
|
300
|
240
|
670
|
620
|
20*26
|
|
600
|
600
|
410
|
453
|
270
|
780
|
725
|
20*30
|
|
700
|
700
|
467
|
560
|
400
|
350
|
895
|
840
|
24*30
|
|
800
|
800
|
517
|
610
|
400
|
1010
|
950
|
24*33
|
|
900
|
900
|
567
|
660
|
470
|
1110
|
1050
|
28*33
|
|
1000
|
1000
|
617
|
712
|
570
|
1225
|
1160
|
28*36
|
|
1200
|
0.6
|
1200
|
719
|
814
|
600
|
710
|
1400
|
1340
|
32*33
|
|
1400
|
1400
|
819
|
914
|
900
|
1625
|
1560
|
36*36
|
|
1600
|
1600
|
919
|
1036
|
800
|
1040
|
1825
|
1760
|
40*36
|
|
1800
|
1800
|
1021
|
1138
|
1180
|
2045
|
1970
|
44*39
|
|
2000
|
|
2000
|
1121
|
1238
|
|
1350
|
2265
|
2180
|
48*42
|
衬里材料的选择
应根据被测介质的腐蚀性、磨损性及温度来选择。硬/软橡胶可耐一般的弱酸、碱的腐蚀,耐温65℃,软橡胶油耐磨性,聚四氟乙烯几乎能耐出磷酸以外的强酸、碱腐蚀,介质温度可达130℃,但不可磨损。聚氨酯橡胶有较好的耐磨损,但不耐酸、碱腐蚀,耐温度性较差,介质温度小于65℃.参考表如下:
|
衬里材料
|
主要功能
|
适应范围
|
|
硬橡胶
|
1.开奶常温下的盐酸、醋酸、草酸、氨水、磷酸及 50%的硫酸、氢氧化钠、氢氧化钾。
2.忌强氧化剂
|
1.低于65℃
2.一般的盐、碱、盐溶液
|
|
软橡胶
|
1.有较好的弹性,耐磨性能较好。
2.耐一般的低浓度酸、碱、盐介质的腐蚀。
3.不耐氧化性介质的腐蚀。
|
1.低于65℃
2.测一般水、污水、泥浆、矿浆
|
|
聚四氟乙烯
(PTFE)
改性聚四氟乙烯(PEA)
|
1.塑料中化学性能最稳定的一种材料,能耐沸腾的盐酸,硫酸,硝酸,也能耐浓碱和有机溶剂。
2.耐磨性和粘结性差。
|
1.-40℃~﹢130℃(PYFE)
-40℃~+200℃(PFA)
2.酸、碱等强腐蚀介质
3.卫生类介质
|
HD-LED-W卫生型电磁流量计的测量原理是基于法拉第电磁感应定律。在电磁流量计中,测量管内的导电介质相当于法拉第试验中的导电金属杆,上下两端的两个电磁线圈产生恒定磁场。当有导电介质流过时,则会产生感应电压。管道内部的两个电极测量产生的感应电压。测量管道通过不导电的内衬(橡胶,特氟隆等)实现与流体和测量电极的电磁隔离。
导电液体在磁场中作切割磁力线运动时,导体中产生感应电势,其感应电势E为:E=KBV- D
式中:
K---------仪表常数
B---------磁感应强度
V - --------测量管道界面内的平均流速
D--------测量管道的截面内径
三、卫生型电磁流量计特点
-
采用快速链接方案,使用中的电磁流量计便于快速拆卸、安装、清洗和维护;
-
采用16位嵌入式微处理器做信号处理,具有运算速度快,计算精度高,全数字化信号处理,抗干扰能力强,测量稳定可靠等特点;
-
新型的衬里工艺和衬里材料,使测量管内光洁如镜,无阻流不见、无压损,能有效防止测量流体残余物在测量管中的堆积;
-
测量精度不受流体密度、粘度、温度、压力等变化的影响;
-
转换器采用大屏幕高清晰度背光LCD显示,全汉字菜单操作,使用方便,操作简单,在强光下或夜晚都能清晰读数;
-
转换器具有双向自动测量功能,可同时显示流量百分比、瞬时流量、正、反向累积总量等测量参数;
-
转换器具有多种输出功能、电流输出、脉冲输出、RS232、RS485数字接口、以及GPRS无线数据远传等功能;
-
转换器具有自诊断故障报警功能、空管检测警报、流量上、下限超限报警、励磁系统故障检测警报等;
-
转换器具有批量处理功能即定量控制功能。
四、主要技术性能指标
-
公称通径:DN10~DN200mm
-
公称压力:0.25MPa~1.6MPa
-
精 确 度:±0.2% ±0.5%(示值误差)
-
测量范围:0.01~10m/s
-
衬里材料:PFA
-
电极材料:不锈钢OCrl8Nil2Mo2Ti、哈氏合金B、C、钛Ti、钽(Ta)、不锈钢涂覆碳化钨、特殊
-
介质温度:普通橡胶衬里:-20~+60℃
-
高温橡胶衬里:-20~+90℃
-
高温橡胶衬里:-20~+90℃
-
高温型四氟衬里:-20~+180℃
-
连接方式:ISO标准快速接头
-
被测介质电导率:>20μS/cm
-
防护等级:IP68、IP65(可选)
-
电流输出即频率输出:4~20mA(负载电阻≤500Ω);频率输出:1-2000Hz
-
数字接口:RA232、RS485、HART等(可选)
-
电源:220V/AC或24V/DC
|
| 产品相关关键字:卫生型电磁流量计的价格,卫生型电磁流量计的生产厂家,哪里买卫生型电磁流量计 |
| 如果你对HD-LED-W卫生型电磁流量计感兴趣,想了解更详细的产品信息,填写下表直接与厂家联系: |
|
| |
|
|