 |
请输入关键字 |
|
|
| 联系午夜免费福利 |
江苏午夜成人APP在线观看仪表有限公司
地 址:江苏省金湖工业园区
邮 编:211600
电 话:0517-86500336
86500226
传 真:0517-86800636
联系人:杨经理
手机:13915187193(微信同号)
E-mail:jshdyb@163.com
|
|
|
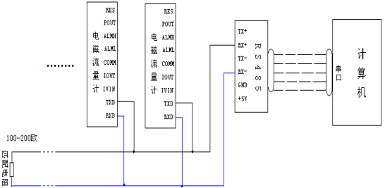
电磁流量计485通讯测试方法 |
|
| 发布日期:2023-04-14 点击:2835次 |
1、连接线后给电磁流量计通电,进入参数设置画面,设置流量计的通讯地址(比如1)和通讯速度(比如9600)。
2、在光盘里你可以看到有两个名为《WIN98》和《WINXP》的文件夹,根据您的电脑所使用的系统选择其中一个(WIN2000也用WINXP),在文件夹内有一个名为《SETUP》的文件,双击后便进入安装状态,之后按照提示操作。
3、安装完成后,在开始菜单的的程序里您可以看到新增加了一个名为L-mag (51)程序,点击便打开了通讯测试程序。
4、在软件上设置通讯口(有的计算机有两个串口,只有一个串口时设置为com1)、通讯地址和通讯速率使他与您在电磁流量计设置的相同,点击开始。
5、这样在您的微机上就会显示出瞬时流量、流速等相应的数据,点击上面通讯方式菜单的多机通讯进入多机显示画面
6、软件自动搜索通讯地址,点击上面的菜单显示多台电磁流量计对应的数据,对比微机上的数据应该与电磁流量计所显示的数据相同。
|
 |
相关新闻: |
 |
|
|